Таль электрическая передвижная взрывобезопасная ВT10 326 г.п. 1 т; в.п. 9 м; полиспаст 2/1; ск. пер. 20 м/мин; ск. под. 8 м/ мин; Темп. реж. -20 + 40; У3;Напряжение 380 В; Класс защ. IP 54; Подвесной пульт управления.
Используя основные конструктивные решения электротельферов серии Т и сохраняя ее технические параметры, серия взрывозащищенных электротельферов ВТ предназначена для работы в потенциально взрывоопасной среде. Электрооборудование для укомплектования этих изделий: электродвигатели, шкаф с электроаппаратурой, пульт управления, концевые выключатели и др. выполнено в так называемом „взрывонепроницаемом исполнении”, с маркировкой: (Ех) d IIB T5 или (Ех) d IIC T5, где: (Ех) – означение электрооборудования, которое предотвращает возможность для возгорания взрывоопасной окружающей среды
| Характеристики | |
| Базовая единица | шт |
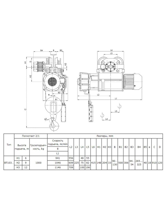
| Высота подъема, м | 9 |
| Грузоподъемность, кг | 1000 |
| Исполнение тали (тип) | ВБИ |
| Напряжение силовой цепи, В | 380 |
| Номер двутавровой балки | 90-130мм |
| Скорость передвижения, м/мин | 20 |
| Скорость подъема, м/мин | 8 |
| Ставки налогов | 20 |
| Строительная высота, мм | 910 |
