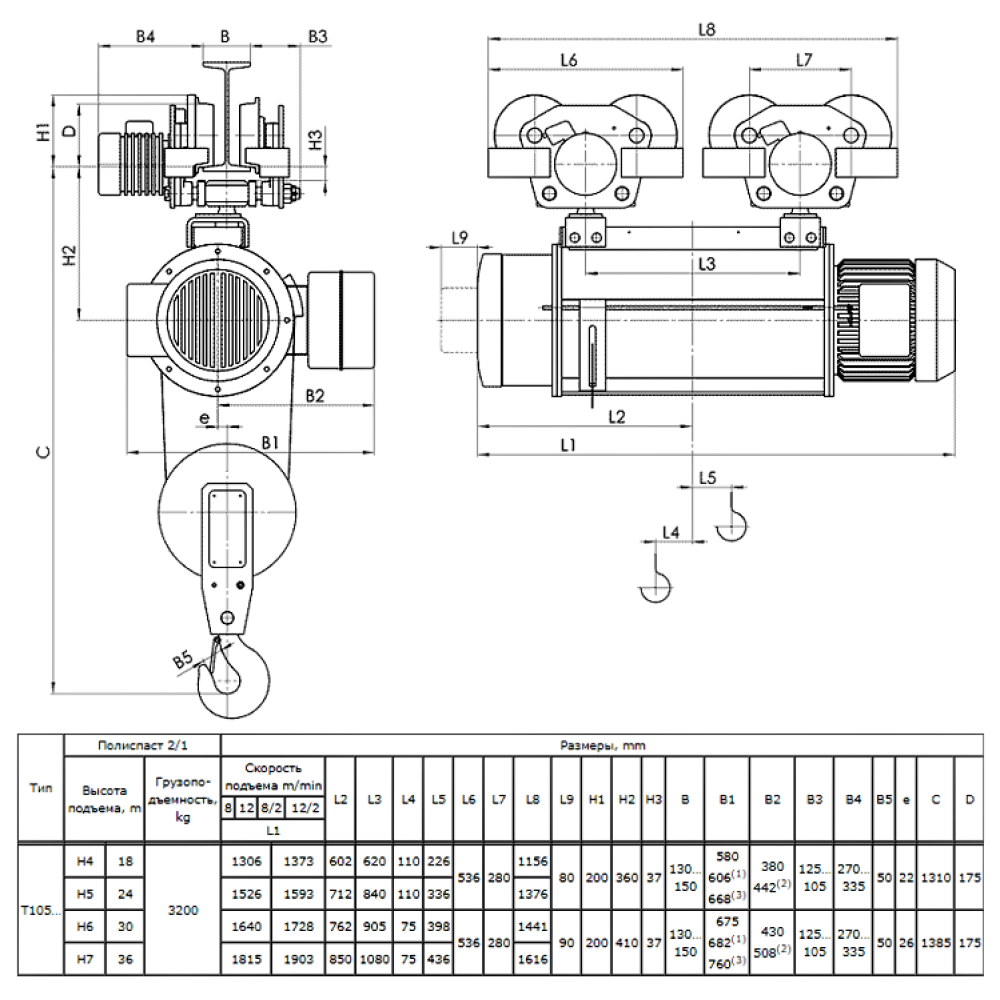
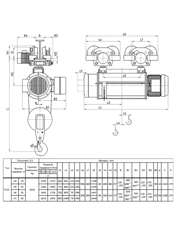
Таль электрическая передвижная 13 T10 542 г.п. 3.2 т; в.п. 18 м; полиспаст 2/1; ск. пер. 20 м/мин; ск. под. 8 м/ мин; Темп. реж. -20 + 40; У3;Напряжение 380 В; Класс защ. IP 54; Подвесной пульт управления.
| Характеристики | |
| Базовая единица | шт |
| Высота подъема, м | 18 |
| Грузоподъемность, кг | 3200 |
| Диаметр каната, мм | 12 |
| Длина кабеля пульта, м | 16,5 |
| Мощность двигателя передвижения, кВт | 0,2 |
| Мощность двигателя подъема, кВт | 4,5 |
| Напряжение силовой цепи, В | 380 |
| Номер двутавровой балки | 30-45М |
| Скорость передвижения, м/мин | 20 |
| Скорость подъема, м/мин | 8 |
| Ставки налогов | 20 |
| Строительная высота, мм | 1200 |
| Частота, Гц | 50 |
