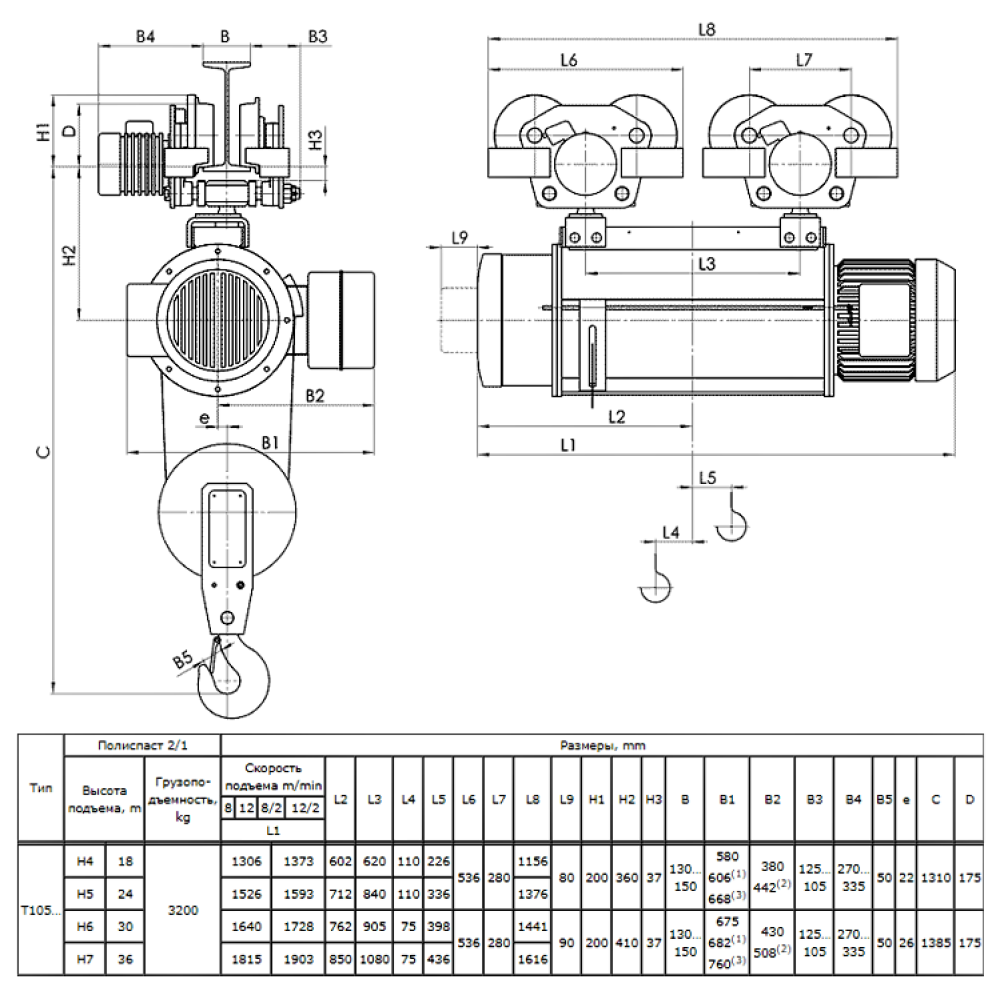
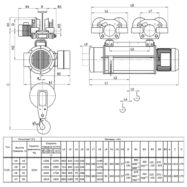
Таль электрическая передвижная 13 T10 562 г.п. 3.2 т; в.п. 30 м; полиспаст 2/1; ск. пер. 20 м/мин; ск. под. 8 м/ мин; Темп. реж. -20 + 40; У3;Напряжение 380 В; Класс защ. IP 54; Подвесной пульт управления.

Таль электрическая передвижная 13 T10 562 г.п. 3.2 т; в.п. 30 м; полиспаст 2/1; ск. пер. 20 м/мин; ск. под. 8 м/ мин; Темп. реж. -20 + 40; У3;Напряжение 380 В; Класс защ. IP 54; Подвесной пульт управления.


  • Модель: 1009309
  • Наличие: Есть в наличии

  • 802490.00 руб.


Характеристики
Базовая единица шт
Высота подъема, м 30
Грузоподъемность, кг 3200
Диаметр каната, мм 12
Длина кабеля пульта, м 22,5
Мощность двигателя передвижения, кВт 0,2
Мощность двигателя подъема, кВт 4,5
Напряжение силовой цепи, В 380
Номер двутавровой балки 30-45М
Скорость передвижения, м/мин 20
Скорость подъема, м/мин 8
Ставки налогов 20
Строительная высота, мм 1200
Частота, Гц 50

Написать отзыв

Примечание: HTML разметка не поддерживается! Используйте обычный текст.
    Плохо           Хорошо